PS2 zu MIDI Konverter
Es war leider gerade kein besseres Gehäuse da und fast die ganze Schaltung ist frei Verdrahtet.
Beschreibung
An das Gerät kann man eine ganz normale PS2-Tastatur anschließen und über MIDI mit DMXControl verbinden. So hat man ein sehr günstiges Button-Board mit über 100 Tasten.
Wenn man eine Taste auf der Tastatur drückt, sendet das Gerät einen Note-On Befehl über MIDI und wenn man die Taste wieder loslässt den dazugehörigen Note-Off Befehl.
Bis auf die Pause-Taste können alle Tasten(auch Sondertasten) genutzt werden, sie sendet für alle Noten ein Off-Signal.
Software
Die Software für den ATTiny2313 wurde in C geschrieben. Der Code füllt den Speicher des AVRs zu ca. 90%.
Hier gibts das Projektarchiv mit der Firmware, den Fotos und dem Eagle-Schaltplan zum download: Datei:PS2 to MIDI.zip
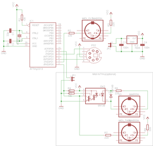
Hardware

Die Hardware besteht nur aus einem Mikrocontroller(ATTiny2313 + Quarz), einer PS2-Buchse, den MIDI-Buchsen(bei Midi-In zusätzlich ein Optokoppler), der Stromversorgung und ein paar Widerständen.
Da die In- und Thru- Anschlüsse nur zum Verbinden von mehreren Midi-Geräten dienen und für die Funktion der Gerätes nicht wichtig ist, kann man, wenn man sie nicht benötigt, auch einfach weglassen.
Über einen Jumper kann noch eingestellt werden, ob die Daten vom MIDI-In Anschluss wieder am MIDI-Out Anschluss ausgegeben werden sollen.