Autor
was ich vor habe
Hallo,
hier möchte ich nun zeigen wie man sich eine Pan/Tilt Einheit selber baut. Der Grund warum ich dies getan habe ist ganz einfach, ich habe 2 Colorchanger, die als statisches Licht zu langweilig waren. Also habe ich im I-Net gesucht und (Henne's Seite) gefunden. Dort gibt es eine Anleitung zum Bau einer Schrittmotor Steuerkarte für DMX.

Benötigtes Material
Die Material Angaben beziehen sich auf 2 Pan/Tilt Einheiten!!
Mechanik
| Anzahl | Bezeichnung |
|---|---|
| 2 Stk | Hybrid-Schrittmotor Pan 1,8° |
| 2 Stk | Schrittmotor Tilt 0,9° Nanotec |
| 2 Stk | Spiegel von JB-Lichtnung Varyscan 3 plus |
| 2 Stk | 2 Wellenflansche & Spiegelwinkel |
| 4 Stk | PTFE Unterlegscheibe(Dämpfung) |
| 4 Stk | Tellerfeder gespreizt (Dämpfung) |
| 4 Stk | Klemmscheibe Schrittmotor(Dämpfung) |
Transceiver
| Anzahl | Bezeichnung |
|---|---|
| 2 Stk | IC 7805 TO 220 |
| 2 Stk | Elko 100/35 |
| 2 Stk | Gleichrichter 40V, 2A |
| 2 Stk | Dip-Schalter, 10-polig |
| 2 Stk | Einstellpotentiometer 10K |
| 2 Stk | IC-Fassung, 8-polig |
| 2 Stk | IC-Fassung, 40-polig |
| 2 Stk | SN 75176 BP |
| 2 Stk | Quartz 8MHz |
| 2 Stk | Kühlkörper FK231 SA220 |
| 1 Pack | Kondensator 100NF |
| 2 Stk | Transceiver Platine |
| 3 Stk | 40pol. Stiftleiste |
| 2 Stk | Atmel 8515 + Firmware (Stepper) |
| 1 Pack | Widerstand 390R |
Treiber
| Anzahl | Bezeichnung |
|---|---|
| 4 Stk | L 293 D Treiber |
| 4 Stk | IC-Kühlkörper Dip 16 |
| 4 Stk | IC-Sockel, 16-polig |
| 1 Stk | Lochrasterplatine 160x100 |
Programmier Interface
| Anzahl | Bezeichnung |
|---|---|
| 1 Pack | Kondensator 27PF |
| 2 Stk | Kondensator 560PF |
| 1 Pack | Widerstand 10K |
| 1 Pack | Widerstand 12K |
| 1 Pack | Widerstand 1K0 |
| 1 Pack | Widerstand 4K7 |
| 4 Stk | Zener Diode 5,1V |
| 2 Stk | BC547A |
Gehäuse & Diverses
| Anzahl | Bezeichnung |
|---|---|
| 2 Stk | Profil-Gehäusehalbschalen, 160x22,0 |
| 2 Stk | Profil-Gehäusehalbschalen, 160x42,4 |
| 2 Stk | Deckelsatz für Profilhalbschalen |
| 2 Stk | Lüfter, 40x40mm |
| 2 Stk | Lüftergitter 40x40mm |
| 2 Stk | DIN-Buchse, 5-polig |
| 1 Stk | DIN-Stecker, 5-polig |
| 2 Stk | Netzteil, 5V-2A + 12V-2A |
| 2 Stk | XLR-Einbaubuchse |
| 2 Stk | XLR-Einbaustecker |
| 1 m | Wopf oder Sikla Schiene 40x20mm |
| ? | und natürlich diverse Kabel und Schrauben |
Aufbau
Als erstes habe ich die Platine von Henne und die Treiber, Testweise aufgebaut, um zu sehen ob es überhaupt möglich ist damit das Projekt zu verwirklichen.
Und siehe da es läuft!! :D (Test 1) (Test 2)
Nun kann es an die Filigrane Arbeit gehen. Der Bau des Gehäuses, des Bügels (wo die Einheit dran hängt)und die Einheit selber.
Die Spannungsversorgung
kommen wir zu einem sehr wichtigen Punkt. Da ich hier nicht mit Strombegrenzung arbeite, brauche ich für die Motoren nur 5V mit viel Leistung. Optimal wären so ca. 2,4A, für den Fall das beide Motoren im Halb-Schritt sind(hier werden alle 4 Phasen mit max. Leistung bestromt)!!! Die hab ich aber nicht gefunden. Am besten geht ein Netzteil einer externen HDD mit 1x 12V & 1x 5V. Die 12V nehme ich für den Tranceiver, und die 5V für die Treiber der Motoren! Das NT was ich gewählt habe hat auf beiden Ausgängen ca. 2A, das sollte reichen.
Das Gehäuse
bei dem Gehäuse habe ich mich für ein Alu-Halbschalen Gehäuse entschieden. Im Mass 100x160mm damit man die Lochrasterplatine einfach einschieben kann. Warum ein Gehäuse??? ---> weil die Elektronik nicht mit in den Colorchanger passt. wenn ihr also Platz genug habt, könnt ihr auch die Steuerung in das Gerät mit einbauen. Aus Front und Rückplatte werden die nötigen Löcher ausgeschnitten, mit hilfe von einer Laubsäger, Akkuschrauber, Stufenbohrer und einer Feile. Dann werden alle Bauteile ins Gehäuse eingefügt, das Trafo habe ich mit Silikon angeklebt.
Der Bügel
Bei dem Bügel habe ich mich für eine (Wopf-Schiene) entschieden. Die einen 45° Knick bekommen soll. Das Schweissen hat mein Vater übernommen. Als alles fertig gesägt und geschweisst war, habe ich sie noch schwarz lackiert.
Die Pan/Tilt Einheit
Nun das wichtigste :D das grosse Problem bestand darin, die Motoren miteinander zu verbinden. es gibt nämlich keinen Hersteller mehr der Wellenflansche verkauft :( Also habe ich mal im Forum rumgefragt, und Darkfather konnte mir hier weiterhelfen. Er konnte mir diese Bauteile anfertigen lassen. Dies war auch das grösste Problem bei diesem Projekt.
Der Spiegel
Hier noch was ganz wichtiges. der Spiegel sollte so leicht wie möglich sein, habs mit nem normalen "Badezimmer-Spiegel" probiert. Das geht überhaupt nicht, durch die exzentrische Anordnung des Spiegels am Tilt-Motor. Ist die einseitige Last viel zu gross. Darum habe ich die Spiegel bei JB-Lightning "vom Vary-Scan 3 Plus" bestellt. Diese sind nur ca. 1mm dick, und wiegen nur ein Bruchteil gegenüber normalen Spiegelglases!! Somit sind ruhigere & schnellere Fahrten möglich.
Wer die Einheit nur testen will kann auch (wie ich) eine Scheibe einer HDD benutzen, diese sind sehr leicht und hochglanz poliert.
Der Zusammenbau
Nun müssen noch alle Teile zusammen gebaut werden :D Und siehe da ein fast perfekter Scanner. noch mit HDD Scheibe
Fertig aufgebaut
Die Firmware
Kommen wir zur Softwareseite: die Original Stepper-Firmware von Henne konnte nur 4tel Schritt!! also hab ich ihn angetrieben :D nun hat er eine 8tel Schritt gebaut. (Die hier)
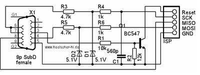
Der Atmel ist zwar fertig programmiert!! Aber es fehlen noch die 8tel Schritt und die Werte über den Fahrweg. Also muss noch mit (PonyProg) die "obige" Firmware aufgespielt werden. Diese hat bereits den Verfahrweg fertig eingesellt drinne.
Diese Firmware stammt von Henne's site
Endergebniss
In diesen Videos sieht man nun die "Scanner" in Aktion
mfg Maik (Forums Beitrag) siehe auch Movinghead_Eigenbau











